編輯:浙江億核閥門有限公司
日期:2022-06-25 訪問:3816

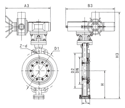
特點說明
本閥為陶瓷密封蝶閥系列產品,系我公司新開發的長壽命、節能型陶瓷蝶閥。其結構采用三維偏心原理設計,使密封面的空間運動軌跡達到理想化,密封面相互之間無摩擦、無干涉,加之密封材料選擇陶瓷,從而使蝶閥的密封性、耐腐蝕性、耐磨性等都得到了可靠的保證。閥座采用陶瓷密封結構,加工精湛,工藝先進。
本產品由閥體、蝶板、多層次閥座、閥桿、傳動機構等主要部件組成。
其主要特點:
1. 開啟力矩小、靈活方便、省力節能;
2. 三維偏心結構,使蝶板越關越緊,其密封性能可靠,達到無泄漏;
3. 耐腐蝕、耐磨性、使用壽命長等。


浙江億核閥門有限公司
經營范圍:陶瓷閥、陶瓷球閥、電動執行器、調節閥、搪瓷閥門、電動截止閥、電動對夾蝶閥、氣動通風蝶閥、電動排泥閥、鑄鐵閘閥、暗杠閘閥、電動陶瓷球閥、耐磨陶瓷出料閥、柱塞截止閥 、柱塞閥、止回閥、閘閥、蝶閥
聯系地址:浙江.永嘉甌北五星工業區
聯系電話:0577-67381818
聯系電話:0577-67381813
聯系電話:0577-67381812
聯系人:李 秋
聯系手機:13777715367
傳真:0577-67381819
QQ:359956321
公司官網:www.yh1818.com/
郵箱:359956321@qq.com
微信:13777715367
浙江億核閥門有限公司 |
|||||||||||||||||||||
|
|||||||||||||||||||||
|
||||||||||||||